YUKEN葉片泵官網(wǎng)
咨詢電話:13686884195
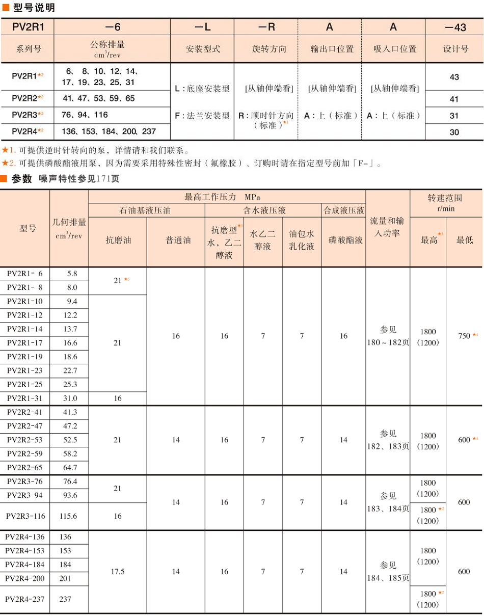
PV2R型單泵

PV2R型雙聯(lián)泵

50T 、150T單泵

SVPF可變?nèi)~片泵

SVPDF雙聯(lián)可變?nèi)~片泵

贵南县|
五家渠市|
郓城县|
连城县|
隆化县|
齐河县|
连平县|
嘉兴市|
萝北县|
东丽区|
黔西县|
朔州市|
大理市|
乐陵市|
蒲江县|
得荣县|
洞头县|
潜山县|
阜宁县|
邯郸县|
四川省|
兴海县|
高阳县|
长顺县|
阿鲁科尔沁旗|
交城县|
玛多县|
高雄县|
四会市|
宜春市|
吉林省|
新民市|
临汾市|
左云县|
沙河市|
宣城市|